欢迎来到浙江拓凡电气有限公司官方网站!
咨询热线:
0577-62789520
首页
Home
关于我们
About
公司简介
企业文化
产品中心
product
新闻资讯
news
新闻资讯
应用领域
服务承诺
service
服务承诺
技术支持
联系我们
contact
产品中心
消防应急照明和疏散指示系统
应急照明控制器
消防应急标志灯具
消防应急照明灯具
EPS应急电源系列
UPS不间断电源系列
消防电气控制装置系列
直流屏系列
新闻资讯
EPS应急电源补偿装置的组成与选用
一定要知道的UPS电源的基本知识
UPS的作用及特点都有什么?
你知道UPS电源的四种工作方式都有什么吗?
全国服务热线
0577-62789520
产品详情
当前位置:
首页
>
产品中心
> 消防电气控制装置系列
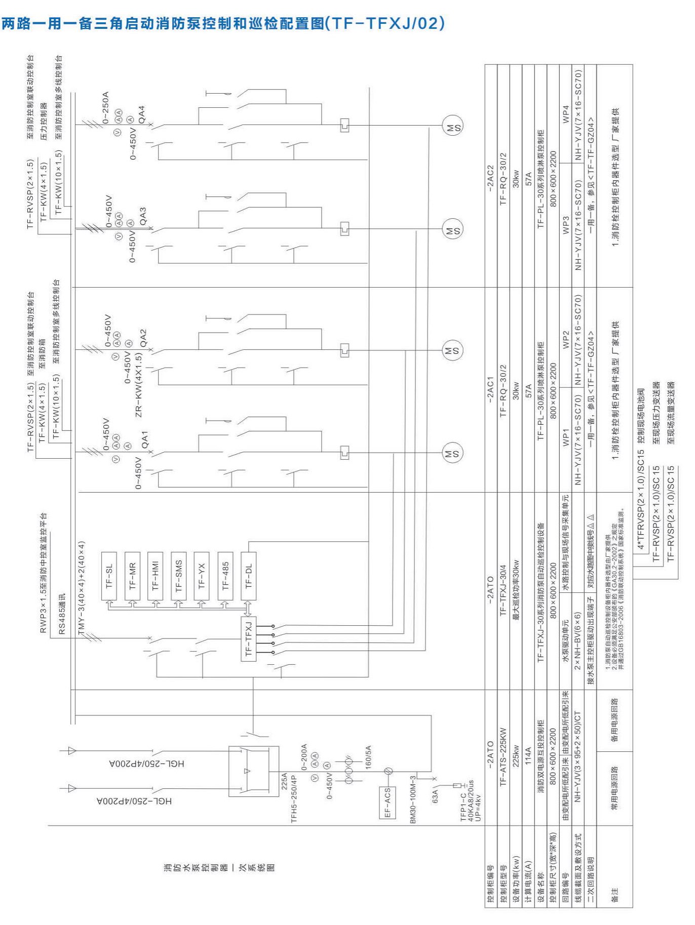
TF-TFXJ系列消防电气控制装置
所属产品系列:
> 消防电气控制装置系列
打印当前页
放入收藏夹
服务热线:0577-62789520
传真热线:0577-62126717
企业邮箱:
公司地址:浙江省乐清市苏岙工业区
友情链接:
软起动
软起动器